銷售熱線
技術熱線:0576-85183757
銷售電話:0576-85182037
技術電話:0576-85183757
傳真號碼:0576-85182843
聯系郵箱:haihong@cn-hydraulic.com
公司地址:浙江省臨海市江南街道金嶺路199號
產品特點
對不同的執行元件分配流量時,流量與其需求成比例,與泵的飽和狀態和負載壓力無關(LUDV);
與變量泵配套使用,當多路閥處于中位時,通過LS口壓力反饋,使變量泵斜盤角度最小,油液低壓小流量卸荷,節能效果良好。
閉芯,用于變量泵,通過LS溢流閥來限定多路閥的最高壓力;
每一聯換向片的流量可調,只需一個變量泵即可滿足所有作業功能;
應用領域
主要應用于裝載機、平地機等其它工程機械。
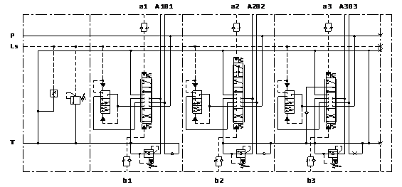
液壓原理圖
技術參數(對超出下述參數的應用場合,請與我公司聯系)
|
概述 |
|
|
結構 |
整體式 |
|
安裝方式 |
見外形圖 |
|
油口連接方式 |
螺紋 |
|
通徑 mm |
15 |
|
液壓 |
|
|
P口最高壓力 |
350 |
|
A、B口最高壓力bar |
420 |
|
a、b口最高壓力bar |
30 |
|
允許最大回油背壓bar |
15 |
|
主安全閥壓力bar |
100~350 |
|
二次溢流閥壓力bar |
150~290 |
|
流量 L/min |
120(每片最大) |
|
液壓油溫度范圍℃ |
-20~+100 |
|
粘度范圍m2/s |
10~460 |
|
油液允許的污染等級 |
-/19/16 (ISO4406:1999) |
|
機械 |
|
|
重量 kg |
約44.4 |
產品外形圖
| 油口 | P、T | A、B | LS、a、b |
| 尺寸 | G1” | G3/4” | G1/4” |
相關產品
銷售熱線:0576-85182037
友情鏈接: 多路閥系列 先導閥系列 制動閥系列 操縱閥系列 農機閥系列 轉向閥系列 Sitemap TXT Sitemap XML 網站地圖

微信官網

手機官網