銷售熱線
技術熱線:0576-85183757
銷售電話:0576-85182037
技術電話:0576-85183757
傳真號碼:0576-85182843
聯系郵箱:haihong@cn-hydraulic.com
公司地址:浙江省臨海市江南街道金嶺路199號
產品特點
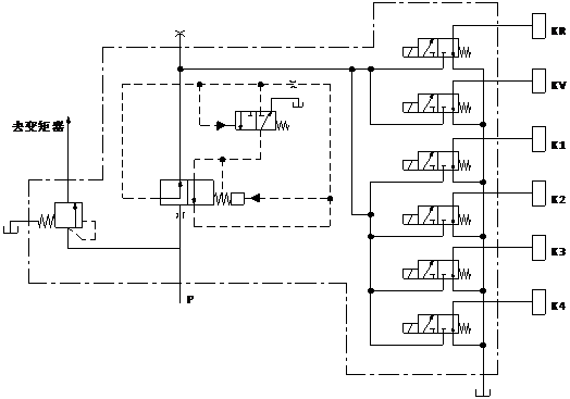
控制方式:電控;
內置調壓閥和緩沖閥;換檔時,離合器油缸的升壓過程是平穩、柔和的兩級特性,減少了沖擊和磨損;
電磁閥可任意組合,通用性好,結構簡單,集成化程度高。
應用領域
平地機、裝載機、推土機和礦山機械變速箱系統等工程機械變速箱系統。
液壓原理圖
技術參數(對超出下述參數的應用場合,請與我公司聯系)
|
概述 |
|
|
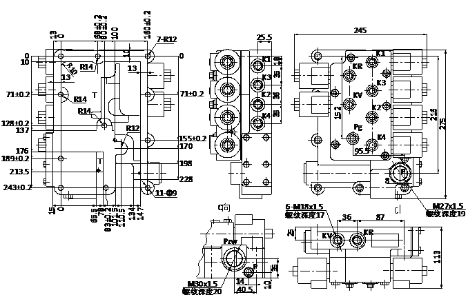
安裝方式 |
見外形圖 |
|
安裝螺栓扭矩 N.m |
22~39 |
|
重量 |
24.7 |
|
液壓 |
|
|
公稱流量 L/min |
120 |
|
檔位壓力bar |
16~20 |
|
各檔位壓差 bar |
≤1 |
|
壓力振擺 bar |
≤±0.5 |
|
額定電壓 V |
DC24 |
|
額定電流 A |
0.83(在額定電壓、25℃溫度下測定) |
|
允許電壓波動范圍 |
±15%UR |
|
液壓油溫度范圍℃ |
-20~+120 |
|
粘度范圍m2/s |
10~380 |
|
油液允許的污染等級 |
-/19/16 (ISO4406:1999) |
產品外形圖
相關產品
銷售熱線:0576-85182037
友情鏈接: 多路閥系列 先導閥系列 制動閥系列 操縱閥系列 農機閥系列 轉向閥系列 Sitemap TXT Sitemap XML 網站地圖

微信官網

手機官網